技术参数:
发动机名称:C100
型号:LK1P50FMG
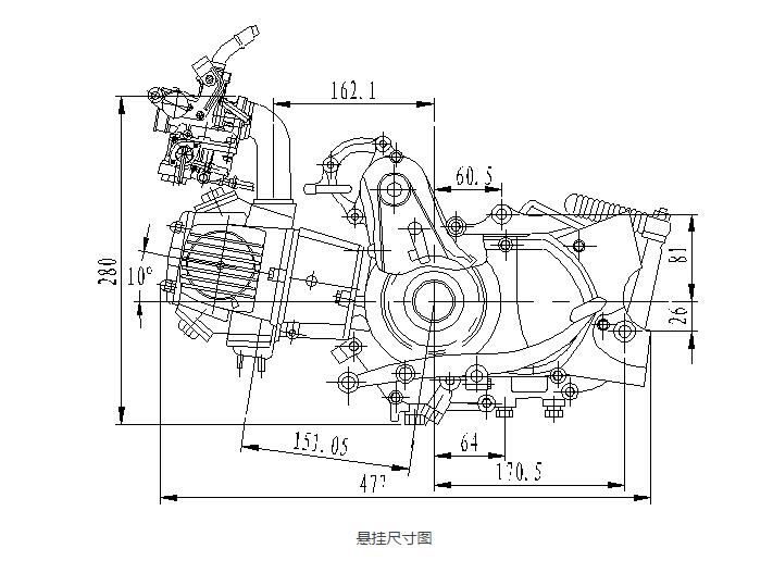
外型尺寸: 477mm×395mm×280mm(长×宽×高)
净重量: 23.5Kg
工作原理:四冲程
气缸数:单缸
气缸排量: 97ml
燃烧消耗量: ≤367g/Kw·h
最大净功率及其相应转速: 4.5KW/7500(r/min)
最大扭矩及其相应转速: 5.8N·m/5000(r/min)
压缩比:8.6:1
气缸直径: 50mm
活塞行程: 49.5mm
点火方式:CDI(点火提前角可调试)
启动方式:电起动/脚起动

悬挂尺寸图
性能特点:

外特性曲线图示例
1、自动单离合器:采用轻便式变档机构,操作简单,变档轻便、顺畅。
2、款式多种多样:设计不同的风格和款式的左右盖提供给客户挑选。
3、性能优越:产品设计生产成熟,性能好以及稳定,获得客户好评。
4、起动减压技术:缸头增加起动减压机构,起动更加轻便。
5、通用性能:能与其它发动机共用零件,方便维修。
6、结构紧凑:外观形状美观,装配方便。